181 3392 2162
网站首页
普科自研
高压差分探头
电流探头
高压衰减棒
罗氏线圈
电流互感器
光隔离探头
无源探头
射频测试线缆
测试附件
普科甄选
电流探头
差分探头
高压探头
无源探头
电源纹波探头
罗氏线圈
单端探头
近场探头
逻辑探头
功率探头
光隔离探头
电流互感器
测试附件
应用案例
轨道交通
电机驱动
半导体
开关电源
LED照明
功率器件
系统设计
高压放电
锂电池
压电陶瓷
光伏逆变器
光束仪器
5G通信
电力设备
感应加热
国防军工
新能源
车床电压
脉冲电流
微电网
泄流电流
mipi测试
传感器噪声
天线测试
气象信号
EMI测试
电动车窗
船舶驱动
电源纹波
家电性能
有源滤波
汽车以太网
电源轨
探头学院
技术专区
公司新闻
关于我们
公司简介
联系我们
当前位置:
首页
>
普科甄选
>
电流探头
电流探头
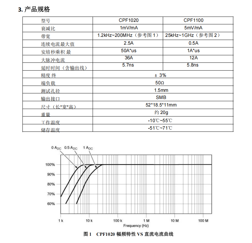
知用CYBERTEK超宽带交流无源电流探头CPF1020/1100
品牌:知用/CYBERTEK
型号:CPF1020/CPF1100
产地:国产
市场价:
¥ 3280
(仅供参考)
最高带宽:1GHz
灵敏度:5mV/mA
峰值电流:36A
获取报价
在线留言
收藏
关注度:
84
分享
产品信息
产品资料
用户手册
详细资料:
知用CYBERTEK超宽带交流电流探头CPF1020/1100产品资料
详细资料:
知用CYBERTEK超宽带交流电流探头CPF1020/1100用户手册
上一篇 : CYBERTEK知用高频交直流电流探头TCP8000系列
下一篇 : 知用CYBERTEK高频交直流电流探头HCPX8000系列
产品分类
品牌分类
电流探头
差分探头
高压探头
无源探头
电源纹波探头
罗氏线圈
单端探头
近场探头
逻辑探头
功率探头
光隔离探头
电流互感器
测试附件
普源精电/RIGOL
泰克/TEKTRONIX
是德科技/KEYSIGHT
知用/CYBERTEK
品致/PINTECH
日置/HIOKI
福禄克/FLUKE
德国TESTEC
皮尔森/Pearson
北极星/NorthStar
PEM
罗德与施瓦茨/RS
德国PMK
NI
埃用/Tronovo
比克/PICO
FCC
LANGER
Aaronia安诺尼
麦科信/Micsig
纳吉伏
GMW
法国CA
美国CIC
热门搜索
热点资讯
使用知用电流探头时示波器参数如何设置?
无源探头与有源探头的区别
罗氏线圈的工作原理及使用中应注意的问题
如何区分SMA、3.5mm、2.92mm、2.4mm、1.85mm这五种常见射频接头
示波器表笔正确的接地方法及注意事项
高压差分探头与普通探头的测试方法的区别
示波器X1探头和X10探头该如何选择?
电源波纹测量要注意示波器探头的接地环路
射频电缆和同轴电缆的区别
普科万用表表笔的使用方法与注意事项
客服
热线
18133922162
7*24小时客服服务热线
关注
微信
官方客服微信
获取
报价
获取最低报价
采购产品
*
采购数量
*
联系电话
*
暂不需要
顶部